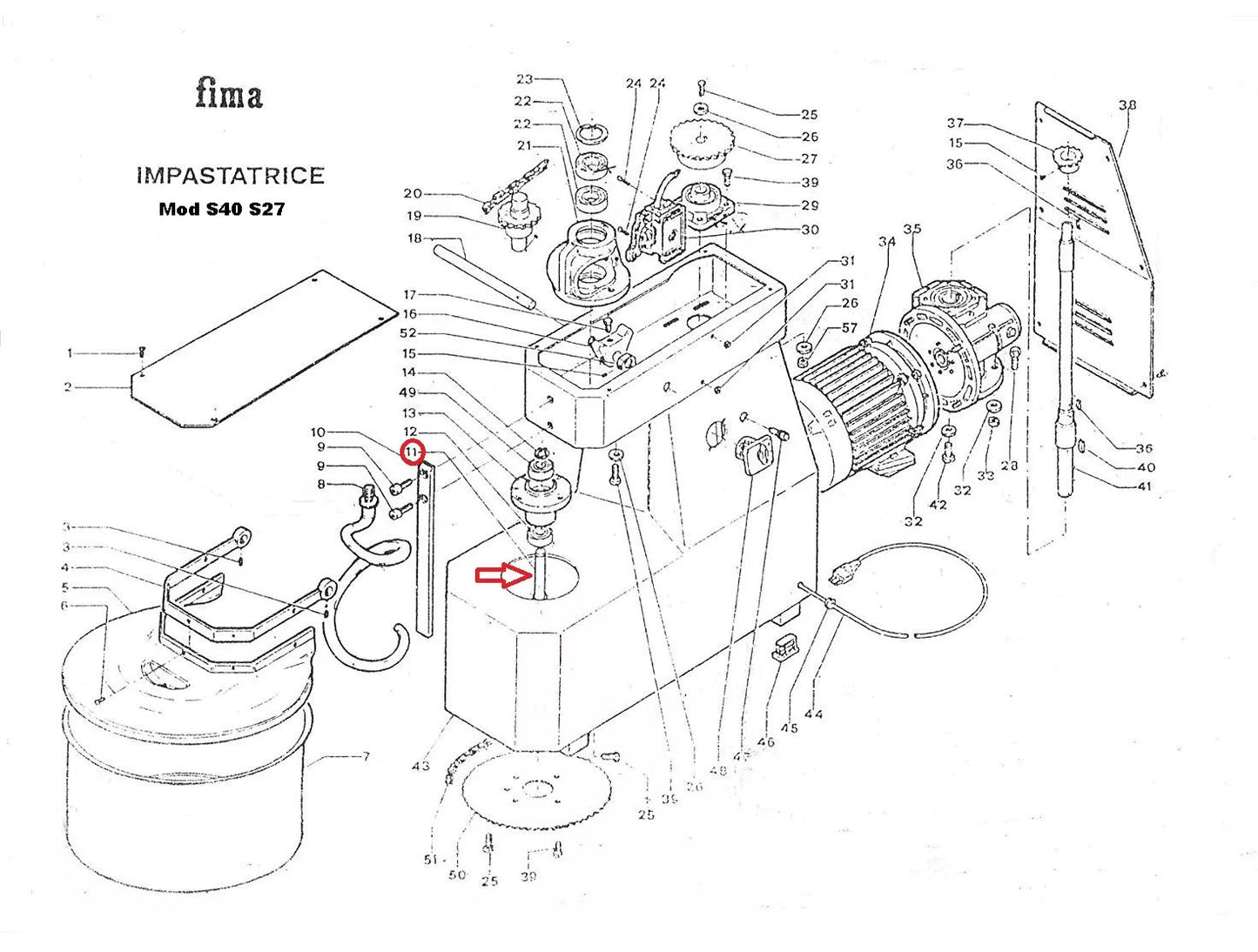
Fima Impastatrice Pizza Dough Mixer Bowl Supporting Shaft For S27 S40 Models
(Price includes a VAT amount of £10.00)
Couldn't load pickup availability
Size Guide
Product description
Fima impastatrice pizza dough mixer bowl supporting shaft for S27 S40 models
This fixed-price listing is for 1 x Bowl supporting shaft for Fima Impastatrice pizza dough mixers. A genuine, high-strength stainless steel replacement part for reliable and long-lasting performance.
Key Features
• Bowl supporting shaft for dough spiral mixers
• High-strength stainless steel construction
• Includes bowl shaft holding circlip
• Genuine original part for precise fit
Specifications
• Length: 175mm
• Material: Stainless steel
• Part Item Number: 11 in the exploded drawing
• Includes:
• 1x Bowl Supporting Shaft
• 1x Bowl Shaft Holding Circlip
Compatible Models
• Fima Impastatrice S27
• Fima Impastatrice S40
Shipping & Return
Shipping Policies
Our shipping policy is available here: https://www.vipcateringparts.co.uk/pages/shipping-policy , alternatively, please view our policies available on the footer of our website, or email us for further information.
Return Policies
Our return policy is available here: https://www.vipcateringparts.co.uk/pages/returns-policy , alternatively, please view our policies available on the footer of our website, or email us for further information.































